|
Relais, Elektro Magnetisch, 12 Volt, 80 Ampère, Wisselcontact, extra groot, 9.4mm, Overige contacten 6.3mm.
  |
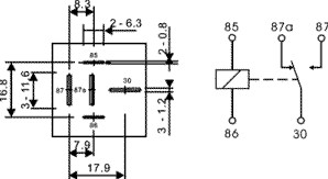
Specificatie: • Spoelspanning: 12 Volt • Spoelweerstand: 72 Ohm • Merk: Rayex Electronic • Series Automotive • Contact configuratie: SPDT (wisselcontact) • Formaat (body): 28 x 28 x 25mm • Schakelspanning: max 14V DC • Schakelstroom: NO max. 80A, NC max. 60A • Inschakeltijd: 7ms • Uitschakeltijd: 5ms • Werktemperatuur: -40...+85°C • Aansluiting: - kabelschoentje: Spoel 6.3mm, Wisselcontact 9.4mm - of voetje (zie hieronder) |